Like Tree2понравилось

Самостоятельная установка сигнализации с запуском

Страница 3 из 14 ПерваяПервая 1234513 ... ПоследняяПоследняя
Показано с 21 по 30 из 133
  1. #21
    fleks83
    Участник

    помогите по установке StarLine A9 и тонированию по кругу.

    вот уже еду в гараж...
    приобрел StarLine A9
    видимо никто не знает как и на что обратить внимание

  2. #22
    Мишган
    Финикиец

    помогите по установке StarLine A9 и тонированию по кругу.

    знают производители. Изучи мануал, там всё подробно расписано.

  3. #23
    fleks83
    Участник

    Самостоятельная установка сигнализации с запуском

    и вот что получилось после 4-х часов возни с этой сигналкой, итог дня:
    1. подключил модуль приемопередатчика с антенной на лобовом стекле. провода протянул по потолку и по правой стойке. Разбирал.
    2. Светодиодный индикатор расположил на правой стойке. ножиком поковырял дырочку и туда же воткнул.
    3. 2-х уровневый датчик удара расположил в полочке под рулевой колонкой.
    4. там же сервисная кнопка режима валет.
    5. там же кнопка включения режима антиограбления.
    6. Закрепил выносной датчик температуры двигателя. (можно хоть где рядом с движком). я нашел болтик под емкостью тормозной системы. подключил черный провод к массе, второй к кнопочному выключателю капота.
    7. Сирену разместил возле правой стойки, на держателе трубопровода "Н". черный провод на массу. красный в салон.
    8. поставил кнопочный выключатель капота (КВК). соединил с проводом температурного датчика и дольше пустил в салон.

    2 провода (от серены и от КВК) замотал изолентой, проткнул дырку там где все провода в салон идут (со стороны пассажира вход с резиновым кожухом), и впустил провода во внутрь салона.

    вот и всё.
    1. проблемы подключения 6-ти контактного силового разьема ЦБ.
    разобрал всю переднию часть водителя. получил доступ до белого прямоугольного разъема с 6-тью контактами. куда я должен был подключаться. дело в том что нет электросхемы на машину и цвета проводом не подходят к друг другу. точнее 4-провода одинаковы а 2 разные.
    может есть у кого схема какой провод от чего и куда?
    2. проблемы подключения 18-ти канального разьема. не понятно вот что:
    а) зеленочерный провод к лампам габаритных огней или указатели поворота. где они?
    б) синечерный к кнопочным выключателя дверей замыкающимся на минус при открывании дверей. где? видимо надо протянуть к двери водителя, и подключиться к кнопке открывания и закрывания? и какого цвета провода?
    в) синекрасный к кнопочным выключателя дверей замыкающимся на +12в при открывании дверей.

    3. подключение 6-канального разьема к центральному замку.
    где этот блок?

  4. #24
    Megapolis
    Участник

    Установка сигнализации с запуском

    Всем привет!
    На днях самостоятельно установил сигналку на примерку с автозапуском, все работает.
    Сигналка Starline B9.
    Если кому интересно и не доверяет сервисменам пишите подскажу.

  5. #25
    Silver_001
    Участник
    Ты отчетик бы выложил, а то я тоже подумаваю автозапуск поставить...

  6. #26
    alexlebedyan
    Участник
    Цитата Сообщение от Мишган Посмотреть сообщение
    вот с автозаапуском в 9й серии очень много заморочек.
    Да нету там никаких заморочек. Тем более в 9 серии.
    В замке зажигания(р-12) 6 проводов.
    Белый с красной полосой 12В
    Белый с синим АСС
    Чёрный с красным и белый - ON(зажигание)
    Белый с чёрным - старт
    Чёрный с жёлтым - не используем.
    Сигналы с ручника и генератора берём с колодки комбинации приборов(синий разъём жёлтый с красным провод - генератор, фиолетовый с чёрным - ручник)
    После установки сигналки программируем контроль работы двигателя - по генератору, время прокрутки стартера - 3000мс(3сек).
    Ну раз уж начал....
    Подключаем всё остальное примерно так:
    снимаем панель прикрывающую нижнюю часть торпедо со стороны водителя, засовываем вниз голову и с правой стороны от руля находим блок ВСМ с тремя разъёмами(белый и два серых).На среднем сером красн.с бел.,красн. с жёлт.,голуб. с оранж.,корич. с бел., - провода концевиков дверей, но в принципе,если неохота заморачиваться с диодной развязкой можно просто подцепиться к плафону(красн. с жёлт. в стойке),только поставить задержку постановки наохрану 15сек.
    На крайнем сером разъёме зел. с чёрн. и зел.с жёлт. - поворотники.
    На белом: серый провод - при подаче на него минуса - запирание, корич.с жёлт. - отпирание. Зелёный провод - концевик капота.
    После установки пробуем запуск.
    Запуск НЕ произойдёт если:
    1.Включено зажигание.
    2.ОТКРЫТ КАПОТ.
    3.Ручник не поднят.
    4. На МКПП не проведена подготовка к запуску(см. мануал)
    Ну, коротко, вроде всё. Буду рад если комуто помог.
    А насчёт чипа, считаю, что если на вашу машину есть заказ, то ни один иммобилайзер и сигналка не помогут.Всё это от честных людей. Колхозные секретки тоже - если угонщики "захотят" сами заведёте и ещё счастливого пути пожелаете. А от хулиганов любящих покататься - достсточно 1-2 грамотно поставленных блокировок.
    Всем удачи!

  7. #27
    ДенисОК
    Участник
    Мне говорили что DVD на штатное место поставить нельзя , я поставил и все работает.


    Извиняюсь, что не в тему но если есть возможность опиши как ДВД подключить, а то я здесь столько всего перечитал, что теперь вообще мозги не работают. Заранее спасибо.

  8. #28
    VOVANыч
    Администрация
    Выкладываю полезную инфу по автозапуску на Р11. А именно в подключении к замку зажигания, и распиновка замка. Вся проблема запуска изложена в ЭТОЙ теме.

    Видео неработающего автозапуска с обходчиком


    Пробовали отключать обходчик может дело в нем, неа не помогло, заводил без него с вставленым ключом в замке с автозапуска, все точно так же как и на предыдущем видео, схватывает и отпускает. Обходчик исключили. Была версия аккум говно, проверили все ок с ним.

    Видео автозапуска, вставляем ключ в замок чтобы исключить замерзание или неисправность обходчика. Все равно не заводится. Дело не в нем.

    Говорили мне что машина говно, самая старая на которую мы ставили автозапуск, типо дело в ней, я настоял на том чтобы разбирались по гарантии, и типо с ключа же схватывает за 1.5сек, а с запуска даже за 2.2с не хватает, че за х...я типо, разводят руками и грят машина такая. Пока что все решилось установкой релюхи на замке зажигания
    Кстати, момент важный, на видео слышно свистит ремень у меня, импульс стоит по генератору же, и когда поставили релюху я пытался так запустить в холод, она нивкакую, думаю че за нах епти...........потом догнал что я лох, ремень то проскальзывает и гена не работает, отсюда нет сигнала. подтянул ремень стала заводится


    А теперь про замок зажигания.
    Цитата Сообщение от Strelok
    сегодня специально тестил что за дополнительный выход на замок зажигания.
    подцепил консульт, включил нистюн с датчиками. дальше включил зажигание и поворачивал медленно ключ на старт.
    так вот когда замыкается этот доп. вывод, мозги выставляют длительность открытия форсунки - 6мс. а если этот контакт не замкнут, то 0.6мс.

    вот и весь фокус.
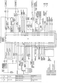
    Нарыл эл.схемы куда идут провода от замка зажигания.

    Самостоятельная установка сигнализации с запуском-f75dbb1f9263.jpg



    EL-DTRL - Day Time Running Lights - дневной свет
    EC-S\SIG - Сигнал стартера для запуска ЭБУ
    EC-MAIN - Реле системы впрыска

    Вообщем разобрал панельку, и посидел с тестером поигрался и вот что понял.
    На старт идет 2 провода, один вкл стартер, другой импульс на форсунки дает 6мс.
    Цвета проводов отметил на схеме, а так же их расположение, и описание. Сравните цвета из схемы по мануалу, они совпадают.
    W/G - бело-зеленый; B/Y - черно-желтый, W/PU - бело-фиолетовый

    Красный провод это провод (-) от релюшки.




    Самостоятельная установка сигнализации с запуском-664e4a645367t.jpg



    Можно еще поиграться с проводами, например отключить (вытащить из клемы провод импульса (зелено-белый) и попробовать завести двигатель) он наверняка будет заводится сложнее. Но у меня небыло времени этим заняться, срочно надо было ехать, собрал все и поехал.


    Про обходчик
    Прячьте его куда подальше, провод выводите к замку зажигания, наматывайте его на антену Иммобилайзера, и приклеивайте суперклеем.
    Можете туда положить ключ, или достать из ключа чип, он работает без батарейки.
    Блок обходчика кладите около стекла по центру практически, а сигналки блок слева.


    Ключ болванку не от моих замков но с обученным чипом спрятан в обходчике


    Провода обходчика мотаются на антену иммобилайзера




    Цитата Сообщение от RaS Посмотреть сообщение
    Дополнительные каналы управления кто как использовал?
    в starline b9 их аж 4 штуки
    Тоже задумался над этим, думаю на 2 канал вывести сигнал, нажал кнопочку она те сигналит, и легко найти машину на парковке или еще где.
    Можно сделать типо вежливой подсветки, подключить к дальнему например 3 канал, нажал и она тебе дорогу темную освещает когда идеш к дому или по паркове.
    Ведь время импульса можно установить, или поставить в ручную вкл/выкл.
    Последний раз редактировалось VOVANыч; 11.10.2013 в 18:55.

  9. #29
    Vini
    Новичок
    буду ставить сигнализацию с автозапуском, есть вопросы
    1. зачем мне нужно реле блокировки стартера, котрое идет в комплекте с сигой? это защита от угона? тогда можно его перекинуть на бензонасос? у меня уже стоит одно реле на стартер через датчик нейтрали коробки, не хочу еще одним цепь усложнять
    2. наилучший вариант контроля запуска - подключить сигнальный провод к тахометру?

  10. #30
    VOVANыч
    Администрация
    1. Скорее всего это реле идет на автозапуск
    2. да да к тахометру, если будет плохо работать то подключай к генератору по напряжению. Главное подключить провод у замка зажигания на импульс форсунок, я уже писал об этом почему машина не заводилась......

Ваши права

  • Вы не можете создавать новые темы
  • Вы не можете отвечать в темах
  • Вы не можете прикреплять вложения
  • Вы не можете редактировать свои сообщения
  •