Like Tree14понравилось

Пропала искра

Страница 12 из 13 ПерваяПервая ... 210111213 ПоследняяПоследняя
Показано с 111 по 120 из 130
  1. #111
    85woif
    Старожил
    Цитата Сообщение от AAT Посмотреть сообщение
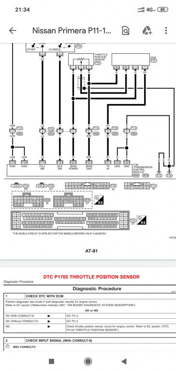
    Там 3 файла, и все одинаковые. И никакого совпадения по распиновке эбу с рестайлом там нет, а вот на картинке,которую присылал товарищ выше, то самое

    - - - Добавлено - - -



    Вот такое расположение ножек

    - - - Добавлено - - -



    Благодаря твоей картинке выше, проблема решена) спасибо) завелась с пол тыка) аж аааафигел) всем удачи)

    Для особо умных(привет темносерому), данная картинка (от nikom) с номерами ножек эбу соответствует рестайлу) но не та ,что в литературе
    Не удивительно. Книжонки кишат опечатками, лажей и отсебятиной переводчиков. В идеале сервисный мануал искать.
    Последний раз редактировалось 85woif; 01.01.2020 в 22:57.

  2. #112
    sergik0202
    гроза болтов и гаек
    Цитата Сообщение от 85woif Посмотреть сообщение
    Книжонки кишат опечатками, лажей и отсебятиной прреводчиков.
    т. е. это переводчик сидит и перерисовывает распиновку разъемов как ему вздумается, так что?

  3. #113
    тёмносерый
    Старожил
    Цитата Сообщение от AAT Посмотреть сообщение
    Благодаря твоей картинке выше, проблема решена) спасибо) завелась с пол тыка) аж аааафигел) всем удачи)

    Для особо умных(привет темносерому), данная картинка (от nikom) с номерами ножек эбу соответствует рестайлу) но не та ,что в литературе
    О чудо! Проблема решена благодаря картинке ...
    Занавес?!
    А теперь для особо "одарённых". Ссылка (выше писал) ведёт в раздел литературы, именно на мануал не тронутый переводчиками. Я не поленился/скачал. И что мы видим?!
    Да да, такую же "картинку" ..., благодаря которой произошло Новогоднее чудо и машинка поехала. Ой, и "ножки" там оказывается с таким же расположением ...
    Миниатюры Миниатюры Пропала искра-screenshot_2020-01-01-22-36-14   Пропала искра-screenshot_2020-01-01-22-44-38   Пропала искра-screenshot_2020-01-01-21-34-32   Пропала искра-screenshot_2020-01-01-21-34-03  

  4. #114
    Mysh16
    водоплавающий
    Цитата Сообщение от тёмносерый Посмотреть сообщение
    О чудо! Проблема решена благодаря картинке ...
    Серёг, как всегда, классика жанра теперешних новичков, самому посмотреть и найти религия не позволяет, надо чтоб нашли, разжевали, в рот положили, рот прикрыли... чтобы только глотнуть осталось

  5. #115
    тёмносерый
    Старожил
    Mysh16, Жень, да ситуация из серии *скажите нам что делать, а мы скажем почему не можем*

  6. #116
    Dmitryvar
    Новичок
    Доброго времени суток.Проблемка у меня такая. Машина просто перестала ехать,давишь на педаль а она не едит,загорелась лампочка масла и аккумулятора,заглушил но потом она не завелась больше.Поевился значек эмобилпйзера и естественно пуска нет. Подумал эммо гонит,дотянули домой! И почему-то при включении зажигания срабатывали винтеляторы охлаждения.Зарядил аккумулятор и на следующий день вышел разбираться что к чему.Поставил аккум,достал чип с обходчика иммо переставил его на другое место (уже такое было,гнал иммо)поварачиваю ключ иммо заработал , бензонасос тоже но она не завелась.при чем опять вентиляторы охлаждения опять работали при повороте ключа!пока я пошёл смотреть что с вентиляторами (зажигания было включено)в этот момент перестают работать вентиляторы и начал идти дым и плавяться все катушки.Вообщем катушкам хана,я полазил на форуме почитал. Первым делом достал ЭБУ,видных повреждений нет вроде цел.Поставил на место.затем проверил всю массу где возможно,конечно не очень была она,ну все почистил улучшил,даже кинул доп массу с аккума на двигатель!поставил аккум и включил зажигания, вентиляторы не включились,начал замерять цешкой напряжения на фишках катушек зажигания , в общем вот что вышло на 1 - показало 12.5,0,5.6
    На 2- показало 12.5,0,0.8
    На 3-показало 12.5,0,5.6
    На 4-показало 12.5,0,5.6
    Я Так понимаю сигнал с ЭБУ большой и из-за это сгорели катушки???значит мозгам хана и надо менять??? Хотя я одну катушку подключил на разные целиндры и при включенном зажигании подождал но катушка не грелась и не плавелась как раньше!
    Катушки уже куплены и не охото их ставить и плавить опять!куда дальше копать?или ЭБУ менять? Спасибо заранее

  7. #117
    RU23
    Участник
    Здравствуйте народ. С наступающим вас новым годом!!! Проблема вот такая вобщем, завёл машину после морозов и она троит на третьем горшке, замена свечей и катушек проблемы не решило. Нет искры именно на третьем целиндре. Примера 2000 г. Японец. Qr25dd. Есть мысли какие? Поделитесь пожалуйста?

  8. #118
    ROW111
    Хранитель Базы Знаний
    Цитата Сообщение от RU23 Посмотреть сообщение
    и она троит на третьем горшке, замена свечей и катушек проблемы не решило. Нет искры именно на третьем целиндре. Примера 2000 г. Японец. Qr25dd. Есть мысли какие?
    в проводке обрыв где то искать надо, может и ключ в мозгах выгорел, но тогда жди второй,если так ездить будешь,они обычно пАрой вылетают.

  9. #119
    vit2903
    Участник
    Прочитал всю ветку,но ответов на свою проблему не нашел.
    У меня слабая искра (цвет желто-оранжевый) отсюда вопрос?
    1.Катушку зажигания можно снять не снимая трамблера (гуглил не нашел)
    2. Если в нижнем креплении трамблера масло ,но в самой крышке нет,стоит ли его разбирать чтоб поменять сальник
    3. Из-за плохой искры могут быть свечи с черным налетом?

  10. #120
    85woif
    Старожил
    vit2903, 1. Какой в этом смысл? Когда снять трамблер дело 1 минуты...
    2. Если внутри нет масла, значит не сальник, а упл. кольца менять.
    3. Могут.

Похожие темы

  1. Пропала искра Р12
    от Navkin в разделе Электрооборудование
    Ответов: 363
    Последнее сообщение: 04.07.2022, 02:27
  2. помогите!! ропала искра, что делать и как что проверить?
    от lebedkin.yurii в разделе Ремонт (общие вопросы)
    Ответов: 5
    Последнее сообщение: 25.11.2012, 09:36
  3. желтая искра в свечах,и незаводица.
    от smit199 в разделе Электрооборудование
    Ответов: 0
    Последнее сообщение: 21.01.2012, 20:44

Ваши права

  • Вы не можете создавать новые темы
  • Вы не можете отвечать в темах
  • Вы не можете прикреплять вложения
  • Вы не можете редактировать свои сообщения
  •