ДМРВ

Страница 3 из 3 ПерваяПервая 123
Показано с 21 по 23 из 23
  1. #21
    nikom
    Старожил
    Цитата Сообщение от ttttt Посмотреть сообщение
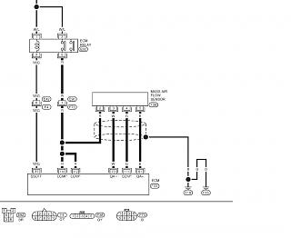
    Красный,белый, черный, зелёный, зелёный. 2 зелёных.
    Два зеленых не может быть, один из них с какой-то полоскокой, ну ладно .

  2. #22
    misa54
    Участник
    МАФДМРВ-maf.jpg

  3. #23
    ttttt
    Участник
    А как здесь фото можно прислать

    - - - Добавлено - - -

    Там точно два зелёных и на них светлые точки на всех,спасибо!покажу схему электрику,думаю разберётся.

    - - - Добавлено - - -

    Цитата Сообщение от misa54 Посмотреть сообщение
    МАФНажмите на изображение для увеличения. 

Название:	МАФ.jpg 
Просмотров:	548 
Размер:	43.2 Кб 
ID:	104327
    Сказал то что надо спасибо!

Похожие темы

  1. Как проверить ДМРВ
    от osmen в разделе Дизельная примера
    Ответов: 1
    Последнее сообщение: 14.08.2013, 09:36
  2. GA16DE - проблема с ДМРВ (?)
    от Exelenz в разделе Двигатель
    Ответов: 12
    Последнее сообщение: 19.10.2011, 12:48
  3. Замена родного ДМРВ на ДМРВ от ВАЗа.
    от pinkaminarabotu в разделе Тюнинг, доп. оборудование и аксессуары
    Ответов: 1
    Последнее сообщение: 15.04.2011, 10:17

Ваши права

  • Вы не можете создавать новые темы
  • Вы не можете отвечать в темах
  • Вы не можете прикреплять вложения
  • Вы не можете редактировать свои сообщения
  •