Like Tree59понравилось

Лямбда-зонд

Страница 122 из 141 ПерваяПервая ... 2272112120121122123124132 ... ПоследняяПоследняя
Показано с 1,211 по 1,220 из 1403
  1. #1211
    Moroz
    Читатель
    Серега495, на подогрев лямбды идет +12 ON OR START а масса управляется ECM

  2. #1212
    Серега495
    Участник
    Распетрушиваю проводку, на нижних лямбдах нет минуса вообще, а на верхних при включении подогрева минус практически пропадает.

    Moroz, У меня + на подогреве появляется, через какое-то время пропадает, я так думаю что он управляющий, а минус жесткий,.По схеме из эбу идут прямо на лямбду 3 провода, а 4й как раз минус ни где не фигурирует, если я ошибаюсь где искать этот минус от эбу?
    Кинул минус на прямую, заработала нижняя лямбда, после обучения расхода воздука на хх, и сброс топливной коррекции, мотор перестало трясти, график на перегазовках стал более адекватный, но н хх по прежнему 2 богатая, 2 бедная
    Долгосрлчная коррекция была 1я банка 135% 2я банка 96%

    - - - Добавлено - - -

    Протянул минус прямой, мне кажется так должно, трести перестало, бывает провал на хх кратковоеменный,(чистил дросель ещё не обучил),думаю уйдёт. Газ стал более отзывчивый, динамика лучше вроде стала, сейчас жена сделает заключение(она к этому чувствительна на пассажирском)

    - - - Добавлено - - -

    Поменял вчера вечером лямбды, поставил как положено с подогревом 10 ом(ранее пробовал ставить) (стояли 4 омА) и совершилось чудо, все заработало чудесныйм образом! сегодня проехал городом 100км расход на 92, показывает 11.1 по факту литров 10 потратил.
    Кто-то спрашивал в теме какая разница ЭБУ сопротивление подогрева, незнаю какая разница, надо ставить как положено.
    Дело было в "массе подогрева", осталось только доконца разобраться в том что говорил:

    Цитата Сообщение от Moroz Посмотреть сообщение
    Серега495, на подогрев лямбды идет +12 ON OR START а масса управляется ECM
    Если действительно минус приходящий с ЭБУ, то надо будет поставить реле

  3. #1213
    Moroz
    Читатель
    Цитата Сообщение от Серега495 Посмотреть сообщение
    поставил как положено с подогревом 10 ом
    на 10 только верхние, нижние на 5-7Ом




    Цитата Сообщение от Серега495 Посмотреть сообщение
    Если действительно минус приходящий с ЭБУ, то надо будет поставить реле
    зачем тебе реле?
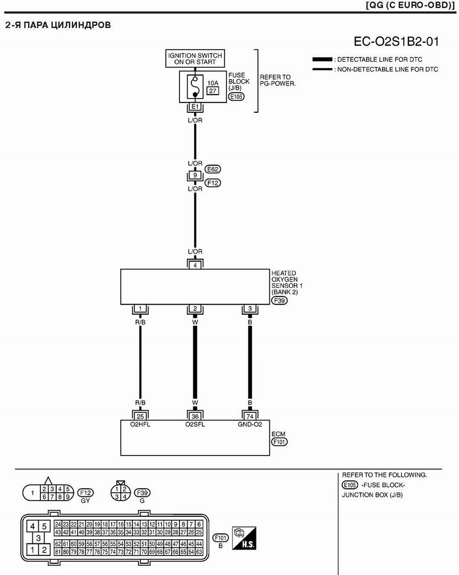
    Ещё раз повторяю - минус приходит с ЭБУ, вот лови схемы, обрати внимание, обе лямбды берут массу с одного 74 пина ЭБУ




  4. #1214
    Серега495
    Участник
    Да, верх поставил 10 ом, низ которая с мотором пришла NGk 6 ом.

    Moroz, Все верно, только 74 контакт, это сигнальная масса на датчик (масса сигнального провода), с ней у меня все ок.
    Я про это и говорю, что по схеме из ЭБУ выходит 3 провода на лямбды

    24,25 контакт- это как раз "+" подогрева
    35,36 контакт это Сигнал
    74 контакт это Минус Сигнального провода( как я понял, относительно него идет сигнал)

    Я как раз эти провода и перетягивал напрямую от ЭБУ(74,35,36)
    А вот именно МАССЫ подогрева в этой схеме и нету. Значит она должна быть постоянная(как я и сделал)

    А в лямбде 4ре провода:

    1)черный -сигнальный(в данном случаи,(35,36))
    2)серый - масса сигнального провода(74)(НА "-" ни где не звонится, незнаю как она в мозгах проходит))
    3)белый - "+" подогрева(в данному случаи(24,25))
    4)белый - нужна масса (для того чтобы подогрев заработал т.к там грубо говоря нить накала) (ОНА у меня как раз сверху была плохая,(при вкл подогрева, практически пропадала, а снизу вообще отсутствовала))
    Ни один из проводов на корпус лямбды не звонится, следовательно минус на подогрев должен приходить по 2му белому проводу
    Последний раз редактировалось Серега495; 19.02.2015 в 21:38.

  5. #1215
    ayra66
    Старожил
    Серега495, на 24 и 25 из ЕСМ периодически должен идти "-" ,когда в мозгах недоконтакт или сгорают драйверы на подогрев лямбд,то тогда при включенном эажигании ты тестером меришь напряжение приходящее на эти контакты от предохранителя через нить нагрева а не из ЕСМ!
    Вскрывай и проверь транзисторы сидящие на контакты 24 и 25 в мозгах.

  6. #1216
    Серега495
    Участник
    ayra66, Отдавал мозги на проверку,(мозговитых дел людям) все хорошо.
    24,25 контакт , незнаю почему они прямой выход +12,(см. Схему на предыдущей странице), а пропадает на них питание по мануалу после 3600об/м

    А для чего туда приходить минусу? Если туда придёт минус будет "коза"

    - - - Добавлено - - -

    Лямбда-зонд-bezymyannyi.jpg

  7. #1217
    Moroz
    Читатель
    Серега495, ты мыслишь неправильно... после 3600 об подогрев не нужен, хватает температуры газов, и подогрев лямбды отключается, т.е. на неё с двух сторон подаётся +12 и разницы потенциалов нет. А на малых оборотах сигнал скважный и скважностью регулируется степень подогрева.

  8. #1218
    Серега495
    Участник
    Тогда я незнаю что с этим автомобилем происходит и как с этим бороться(((

    - - - Добавлено - - -

    По сути, от того как я сделать прямой минус, нечего не произойдёт, кроме быстрого изнлса подогрева, правильно?
    Или надо ставить доп транзистор, и брать управление на него с эбу(т.к в эбу все целое)

  9. #1219
    yaa
    Старожил
    Цитата Сообщение от Серега495 Посмотреть сообщение
    Тогда я незнаю что с этим автомобилем происходит и как с этим бороться(((

    - - - Добавлено - - -

    По сути, от того как я сделать прямой минус, нечего не произойдёт, кроме быстрого изнлса подогрева, правильно?
    Или надо ставить доп транзистор, и брать управление на него с эбу(т.к в эбу все целое)
    не берусь окончательно утверждать, но я мыслю так.
    Если подогрев лямды отключается при 3600 об\м это означает, что при любых оборотах менее 3600 он постоянно включен. Я преимущественно езжу при 3000 об\м. Исходя из этого понимаем, что подогрев лямбды включен постоянно. И все работает и не перегорает. Так что меньше заморачивайся с этим подогревом. Работает и хорошо!!!! Хуже если вообще не работает.

  10. #1220
    Серега495
    Участник
    yaa, Согласен, я тоже так считаю, тем более в городе при 3600об, только при обгонах.
    по трассе у меня 4000об.м 180км


    Moroz, ты парв, масса приходит из эбу, сейчас перечитал книгу, т.е получается на лицо факт пробития транзистора в мозгах. Когда сморели эбу, сказали что у всех компонентов, показания номинальные, и при нагреве, и при охлаждении.

    Я думаю страшного нечего не будет в моем случаи

Ваши права

  • Вы не можете создавать новые темы
  • Вы не можете отвечать в темах
  • Вы не можете прикреплять вложения
  • Вы не можете редактировать свои сообщения
  •